Guest
Login
Register
My Cart
(
0
)
My Wishlist
(
0
)
Home
Search
0
Wishlist
Account
Offers
Brands
Category
Orders
0
0
হোম
পণ্য সংগ্রহ
গ্যালারী
পরামর্শ
পরিচিতি
চাহিদা অনুযায়ী নকশা
0
Login
•
Register
Shop By Categories
হোম
পণ্য সংগ্রহ
গ্যালারী
পরামর্শ
পরিচিতি
চাহিদা অনুযায়ী নকশা
My Cart
(
0
)
My Wishlist
(
0
)
বাংলা
English (UK)
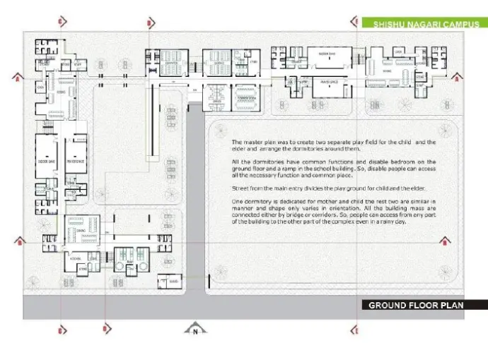
শিশুনগরী ক্যাম্পাস
All Blogs
স্থাপত্য
শিশুনগরী ক্যাম্পাস
in
স্থাপত্য
#
Architecture